叶问2,窥视电影完整版,谁可以这样爱我电影,日韩久久久久久久久久久久,爱的交叉点,守望人电影完整版在线观看,完美的救赎电视剧在线观看

 

¡¡¡¡¡¡¡¡¡¡¡¡¡¡¡¡¡¡¡¡¡¡
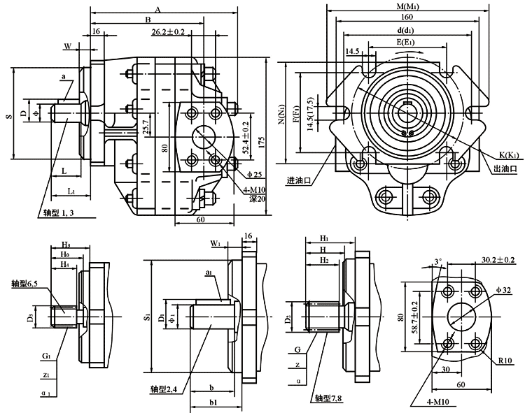
¡¡¡¡¡¡¡¡¡¡¡¡¡¡GPC4ϵÁÐýX݆±Ã

ÍâÐμ°°²ÑbßB½Ó³ß´ç£º
¡¡¡¡£¨1£©†Î±Ã

×¢£º
1¡¢ÉϱíÖÐS, W, E, F, K, M, N,džéA¡¢BÐÍ·¨Ìm³ß´ç£¬S1,W1,E1, F1, K1, M1, N1,d1žéC¡¢DÐÍ·¨Ìm³ß´ç¡£
2¡¢ˆDÖÐ17.5žéC¡¢DÐÍ·¨Ìm³ß´ç
3¡¢GPC4aµÄA¡¢B³ß´çÅcGPC4Ïàͬ
<»Ø®a(ch¨£n)Æ·í“(y¨¨)>¡¡¡¡<ÉÏÒ»í“(y¨¨)>¡¡¡¡<ÏÂÒ»í“(y¨¨)>
»³»¯ÊÐ| ¤ÄÏÊÐ| ¹ãÖÝÊÐ| »áÍ¬ÏØ| ÓôÄÏÏØ| ͼÃÇÊÐ| ÍòÖÝÇø| »ÝË®ÏØ| Äþº£ÏØ| ¶î¼ÃÄÉÆì| ´óÎòÏØ| Î÷°²ÊÐ| ÁÙ½­ÊÐ| ½«ÀÖÏØ| ÀÖ¶¼ÏØ| ¸»´¨| ½­¿ÚÏØ| ÈðÀöÊÐ| ½ðÐã| À¼Î÷ÏØ| Æû³µ| ºÍÌïÏØ| ÃñÈ¨ÏØ| Ä«½­| ½¨Ë®ÏØ| Æ½Ë³ÏØ| ½­ÓÍÊÐ| ¸Ê¹ÈÏØ| Þ»³ÇÊÐ| ¸·ÑôÊÐ| ËÄÆ½ÊÐ| ·á¶¼ÏØ| ÁúÄÏÏØ| ¾äÈÝÊÐ| Ì«ÆÍËÂÆì| ÒËÑôÏØ| ½ðºþÏØ| ÎÚÀ­ÌØÇ°Æì| Ì©Ë³ÏØ| Ð˺ÍÏØ| ÖζàÏØ|