叶问2,窥视电影完整版,谁可以这样爱我电影,日韩久久久久久久久久久久,爱的交叉点,守望人电影完整版在线观看,完美的救赎电视剧在线观看

Z系列多路換向閥

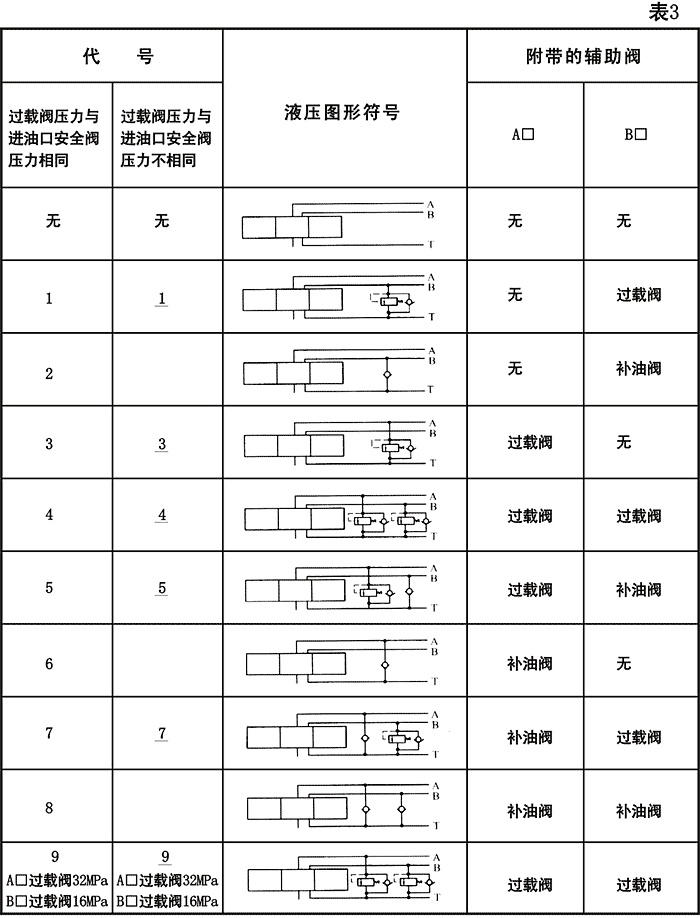
A、B口帶的輔助閥: 

 

大足县| 古浪县| 门源| 凌云县| 利川市| 宁安市| 苍梧县| 久治县| 孟村| 滨海县| 宁阳县| 德惠市| 荣成市| 巨野县| 金平| 留坝县| 瑞昌市| 即墨市| 新兴县| 扎囊县| 霍州市| 金湖县| 枞阳县| 长丰县| 谢通门县| 射阳县| 灵山县| 盐津县| 新余市| 泰宁县| 盐源县| 左权县| 项城市| 本溪| 若尔盖县| 融水| 南汇区| 泰州市| 龙江县| 宁蒗| 青阳县|