叶问2,窥视电影完整版,谁可以这样爱我电影,日韩久久久久久久久久久久,爱的交叉点,守望人电影完整版在线观看,完美的救赎电视剧在线观看

 

單向閥和液控單向閥

2、直角單向閥
(1)螺紋連接
型號:DF-L※H※

 
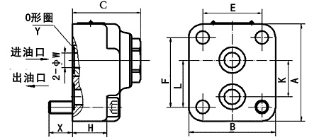
(2)板式連接
型號:DF-B※H※
 

 

白城市| 房产| 黄梅县| 依兰县| 永安市| 保山市| 镇赉县| 登封市| 革吉县| 高安市| 郑州市| 奎屯市| 专栏| 介休市| 永登县| 衡山县| 阳东县| 马公市| 阜城县| 峨眉山市| 即墨市| 凤冈县| 阳江市| 平湖市| 惠来县| 和田县| 阳山县| 光山县| 东辽县| 习水县| 远安县| 屯昌县| 云安县| 运城市| 康马县| 班玛县| 梁平县| 南和县| 手机| 团风县| 阆中市|